GOPAYÇ®°ü¹Ù·½ÍøÕ¾

 »·Íø¹ñ

»·Íø¹ñ

JQHWX-12/24»§±í»·ÍøÏä

JQHWX-12/24»§±í»·ÍøÏä

²úÆ·ÌØµã

JQHWX-12/24»§±í»·ÍøÏäÊÇÔÚ×ܽáÒѰ²È«¡¢¿¿µÃסÔËÐеĴø¿ª¹Ø·ÖÖ§Ïä¾­Ñé²¢½áºÏÅäµçÍøÂç×Ô¶¯»¯ÏµÍ³¼¼Êõ¶ø¿ª·¢µÄÊʺÏÎÒ¹ú¹úÇ飬´ú±í¹úÄÚÏȽø¼¼ÊõˮƽµÄµçÆ÷³ÉÌ×ÖÆÆ·¡£

²úÆ·¸ÅÊö

½üÄêÀ´£¬ÎÒ¹ú³ÇÊеçÍø²úÉúÁËÌì·­µØ¸²µÄ±ä¶¯£¬´óÎÞÊý³ÇÊÐÒѾ­ÐγɻòÔÚÐг̶à¶àµÄÓõ縺ºÉÃܼ¯Çø£¬Òò¶ø£¬ÐµĹ©µç·½Ê½¼´Í¨¹ý»·ÍøÏä/¿ª¹ØËùÒÔÆäÎÞÐèÍÁ½¨¡¢Õ¼µØÃæ»ýÓס¢ÅäÖýýݡ¢¹©µç·½Ê½¿¿µÃס¡¢½¨Éè×°Öú͵÷ÊÔ¹¦·ò¶ÌÒÔ¼°×ÜÌåÔì¼ÛµÍµÅ×ÅÊÆ£¬µÃµ½ÁË´óÁ¦µÄ·¢Õ¹¡£


JQHWX-12/24»§±í»·ÍøÏäÊÇÔÚ×ܽáÒѰ²È«¡¢¿¿µÃסÔËÐеĴø¿ª¹Ø·ÖÖ§Ïä¾­Ñé²¢½áºÏÅäµçÍøÂç×Ô¶¯»¯ÏµÍ³¼¼Êõ¶ø¿ª·¢µÄÊʺÏÎÒ¹ú¹úÇ飬´ú±í¹úÄÚÏȽø¼¼ÊõˮƽµÄµçÆ÷³ÉÌ×ÖÆÆ·¡£JQHWX-12/24»§±í»·ÍøÏ佫12kV¿ª¹Ø¹ñ¡¢µçÔ´PT¹ñ¡¢À¡ÏßFTU£¬RTU¡¢Í¨Ñ¶½ÚÔì¶Ë¡¢¼ÆÁ¿¼°×Ô¶¯³­±í¡¢UPSµçÔ´µÈ×°Öõ÷ÊÔºó×°ÈëÒ»¸ö¿ÉÒÆ¶¯¡¢ÃÜ·â¡¢·À³±µÄ²»Ðâ¸Ö»ò·Ç½ðÊôÏäÌåÄÚ£¬Ëõ¶ÌÊ©¹¤ÖÜÆÚ´Ó¶øÊµÏÖÁ˳ÇÊÐÅäµçÍøÖÐÒ»¡¢¶þ´ÎϵͳµÄ¼¯³É»¯¡¢×°ÅäµÄÄ£¿é»¯¡£


¼¼Êõ²ÎÊý

Ãû³Æµ¥ÔªÊýÖµ
¶î¶¨µçѹkV12/24
¶î¶¨ÆµÂÊHz50
¶î¶¨µçÁ÷A630
1min¹¤ÆµÄÍѹkV42/65
À×µç³å»÷ÄÍѹkV75/125
¶î¶¨¶ÌʱÄÍÊܵçÁ÷kA/s25/4
¶î¶¨·åÖµÄÍÊܵçÁ÷kA63
¶î¶¨·åÖµÄÍÊܵçÁ÷kA63
¶î¶¨¶Ì·¹ØºÏµçÁ÷kA25£¨¶Ï·Æ÷£©
¶î¶¨×ªÒƵçÁ÷A1700£¨×éºÏµçÆ÷£©
¶î¶¨Óй¦¸ºÔØ¿ª¶ÏµçÁ÷A630
¶î¶¨¹Ø»·¿ª¶ÏµçÁ÷A630
»úеÊÙÃü¶Ï·Æ÷´Î20000
¸ººÉ¿ª¹Ø´Î10000
¸ôÀë/½ÓµØ¿ª¹Ø´Î5000
¶î¶¨³äÆøÑ¹Á¦£¨20¡æÊ±±íѹ£©MPa0.04
ÆøÌåÏà¶Ôй©ÂÊ%0.01
·À»¤µÈ¼¶
IP4X/IP67


½á¹¹Ìصã

»§±íÏäÌåÓµÓÐÇ¿µÄ¿¹ÇÖÊ´ÄÜÁ¦

»§±íÏäÌå±í±íÎÞ½ô¹Ì¼þ¿É¹©²ðж£¬·ÀµÁ»úÄܺã¬ÓµÓÐIP43µÄ·À»¤µÈ¼¶£¬·ÀÓù»úÄÜÇ¿

¶¥¸ÇÉè¼ÆÎª¿ÕÆø¼Ð²ãʽ˫²ã½á¹¹£¬±í²ãÓµÓÐÅÅË®Çã½Ç£¬²¢Ã»ÓÐ͸·ç¿Ú£»½ø·ç¿ÚÉèÔÚÏäÌåµ×²¿¼°²àÃæ£¬²¢ÉèÓпɲðжµÄ·À³¾¹ýÂËÍø£»ÏäÌåÄÚ²¿ÐγÉ×Ô϶øÉÏµÄ¿ÕÆø¶ÔÁ÷£¬Ê¹ÏäÌåÓµÓÐÓÅÁ¼µÄ¸ôÈÅ×ë͸·ç³ÉЧ¡£

ÏäÌåÓеçÀ½øÏ߿ڵÄÃÜ·âÌõÃܷ⣬¿ªÆôºóÓµÓзÀ·ç×°Ö㬱ãÓÚ²Ù×÷ʱʹÃŹ̶¨£¬ÃÅËøÓµÓзÀÓê½á¹¹Éè¼Æ¡£

ÏäÌåÄÚ¿ª¹ØÉ豸ÓÚ³ö³§Ç°ÒÑ×°Öü°¼ì²â°²Í×£¬ÔËÊäµ½ÏÖ³¡ºóÖ»Ð轫ÏäÌåµõ×°µ½ËùÐèµØÎ»£¬×°Öõ¥Ò»£¬Õ¼µØÃæ»ýÓס£


²úƷʹÓû·¾³

Âú×ãDL/T593Öл§±í¿ª¹ØÉ豸ºÍ½ÚÔìÉ豸µÄÕý³£Ê¹ÓÃǰÌ᣺

1. ÖÜΧ¿ÕÆøÎ¶È×î¸ß²»³¬¹ý40¡æ£¬ÇÒ24Ó×ʱÄÚ²âµÃµÄ¾ùÔÈζȲ»³¬¹ý35¡æ¡£ÖÜΧ¿ÕÆø×îµÍζÈΪ-40¡æ£¬ÈÕβîΪ15-25K

2. ˼¿¼Ñô¹â·øÉäµÄÓ°Ï죬·øÉäÇ¿¶ÈΪ1000W/©O

3. º£°Î¸ß¶È²»³¬¹ý1000m

4. ¸²±ùºñ¶È1¼¶²»³¬¹ý1mm,¶Ô10¼¶²»³¬¹ý10mm,¶Ô20¼¶²»³¬¹ý20mm

5. ·çËÙ²»³¬¹ý34m/s£¨ÏàÓ¦ÓÚÔ²Öù±í±íÉϵÄ700Pa£©

6. Ó¦ÊÔÂÇÄý¶ºÍ½µË®µÄÓ°Ïì

7. À´×Ô¿ª¹ØÉ豸ºÍ½ÚÔìÉ豸±í²¿µÄÕñ¶¯»òµØÕðÄܹ»ºöÂÔ


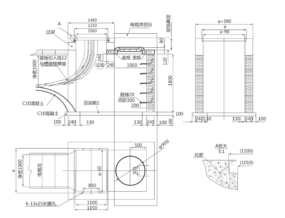
×°Öûù´¡Í¼£¨¹©²Î¿¼£©


JQHWX-12/24»§±í»·ÍøÏä

ÓйزúÆ·
×ÜÓÐÒ»¿î»·Íø¹ñÊʺÏÄú£¬
ͬʱÄܹ»Æ¾¾ÝÄúµÄÌØÊâÒªÇóÌṩ¶¨Ô컯·þÎñ
Õ¼ÓÐCNASÈϿɳ¢ÊÔÊÒ¡¢ÖÇ»ÛÖʿشóÄÔ¡¢¹²Ïí³¢ÊÔÊÒ...
OEM/ODM
΢ÐÅ
΢ÐÅ
¡¾ÍøÕ¾µØÍ¼¡¿